电子样本下载
|
收藏本站
|
中文版
|
English
产品搜索:
首页
关于松铭
产品中心
新闻动态
生产设备
产品应用
销售网络
联系我们
生产设备滚动
产品中心
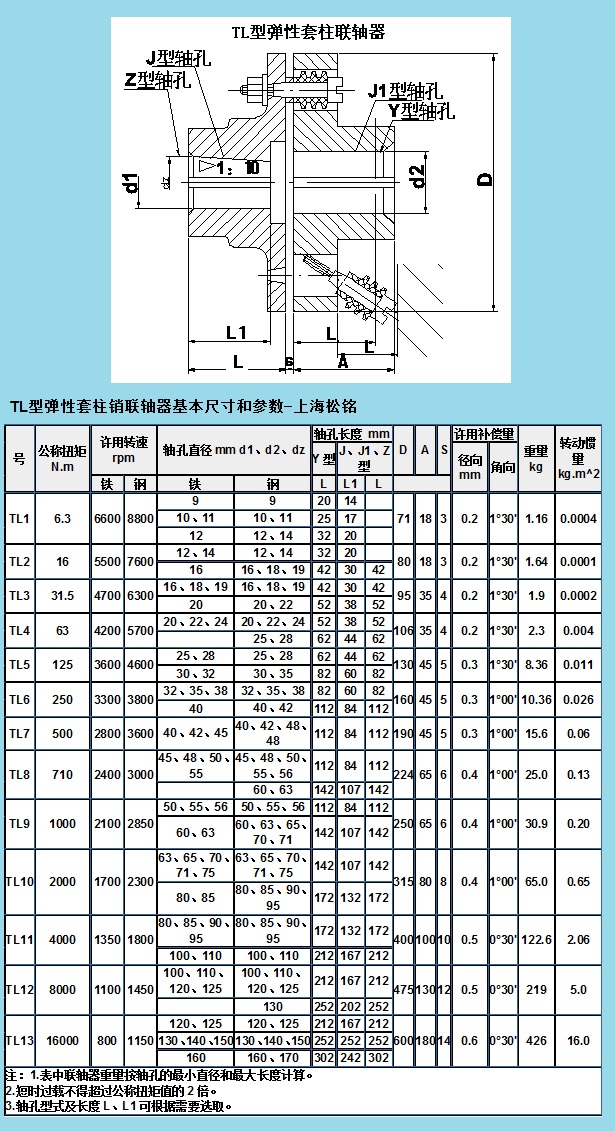
TL弹性柱销联轴器
邮件帐号
登录密码
联轴器系列
弹性联轴器
刚性联轴器
齿式联轴器
膜片联轴器
万向联轴器
其他联轴器
胀紧联结套
皮带轮锥套
联轴器配件
其他传动件
405270208
2317230273
关于松铭传动
|
传动产品中心
|
新闻动态
|
上海松铭销售网络
|
联系我们
上海松铭传动机械有限公司版权所有
沪ICP备11012116号-6
咨询电话:18621008099 021-57652938
友情链接:
上海联轴器厂家
欧标锥套皮带轮定制
Z型胀紧联结套库存
DSJM膜片联轴器
SWC/P万向联轴器
GIICLZ鼓形齿式联轴器
联轴器MT配件
GR联轴器缓冲垫配件
联轴器T型水泵六角垫配件
KC链条联轴器
UL轮胎联轴器橡胶配件
LLA轮胎联轴器配件
铸铁皮带轮
V型三角带轮
SPA皮带轮
SPB皮带轮
SPC皮带轮
SPZ皮带轮
压缩机皮带轮
减速机皮带轮
风机皮带盘
船用皮带轮
环保设备带轮
纺织机械带轮
弹性联轴器
JQ夹克联轴器
LH铝合金联轴器